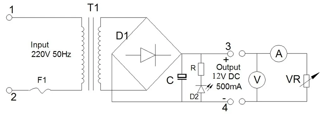
Electrical Characteristics:1) I/P: AC230-240V, 50Hz2) O/P: DC12V, 420mA3) CE /GS /RoHS ComplianceCircuit Diagram: Features:A) European Plug TypeB) Transparent Case to meet with beautiful decoration;C) Different Sizes to meet with different application requirementD) Good safety, long usage life and r......

Allen-Bradley Series a 1794 -Aentr Adapter Module with Flex I/O Ethernet/IP
New and Original Sealed Digital Input Allen Bradley
Acer AC Adapter 65W 19V 3.42A 5.5*1.7m
Acer AC Adapter 19V 3.42A 5.5*1.7mm 65W
Original Genuine Laptop AC/DC Power Adapter for Acer Aspire 4552g AC Power Adapter Supply Cord/Charger 19V 3.42A 65W
UL 61558 Standard 24W Universal Replacement PSU 12V 2A AC DC Power Adapter 24V 1A Plug in Transformer 18V 1.2A Single Output Switch Mode Power Supply